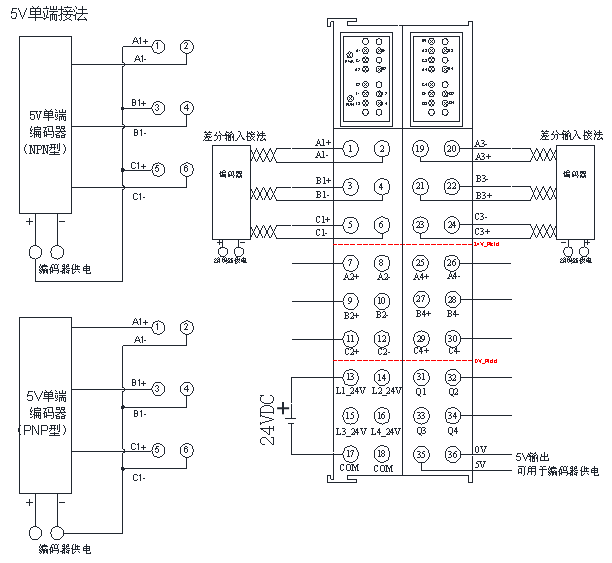
SRE5034接线图

注:L1,L2,L3,L4为24V单端输入通道,Q1~Q4为NPN型输出通道,图中接线示例仅代表差分以及单端接法,不是指每个通道只能限于图中接法。
SRE5034端子说明
| 端子 | 含义 |
| A1+/A1- | 通道1,A相差分输入端 |
| B1+/B1- | 通道1,B相差分输入端 |
| C1+/C1- | 通道1,C相差分输入端 |
| A2+/A2- | 通道2,A相差分输入端 |
| B2+/B2- | 通道2,B相差分输入端 |
| C2+/C2- | 通道2,C相差分输入端 |
| A3+/A3- | 通道3,A相差分输入端 |
| B3+/B3- | 通道3,B相差分输入端 |
| C3+/C3- | 通道3,C相差分输入端 |
| A4+/A4- | 通道4,A相差分输入端 |
| B4+/B4- | 通道4,B相差分输入端 |
| C4+/C4- | 通道4,C相差分输入端 |
| L1_24V | LATCH1输入端 |
| L2_24V | LATCH2输入端 |
| L3_24V | LATCH3输入端 |
| L4_24V | LATCH4输入端 |
| COM | LATCH输入公共端COM |
| 5V/0V | 5V DC电源输出端。 |
| Q1 | 通道1门控输出,NPN |
| Q2 | 通道2门控输出,NPN |
| Q3 | 通道3门控输出,NPN |
| Q4 | 通道4门控输出,NPN |